57783680 Узел кондиционера DM45 (2657783680)

Номер детали: 57783680 (2657783680)

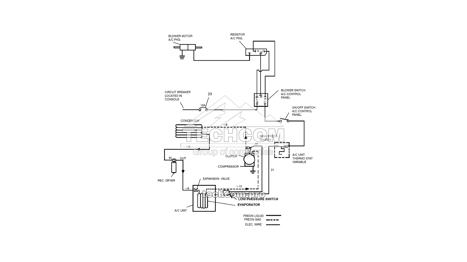
Узел кондиционера 57783680 (2657783680) применяется в кабине буровой установки Epiroc DM45/DM50. В состав входят конденсатор, компрессор R134a, ресивер-осушитель, датчики давления HP/LP, ремни и шланги, обеспечивая стабильную работу системы кондиционирования в тяжелых условиях эксплуатации.

Список запчастей

Поз. Номер детали Альт. номер Описание
002.0 57814766 2657814766 Уплотнительное кольцо, полимер
003.0 57814774 2657814774 Кольцо, упорное
004.0 57814782 2657814782 Кольцо, износное
005.0 57814790 2657814790 Кольцо опорное (back-up)
006.0 57823213 2657823213 Манжета
007.0 57823221 2657823221 Уплотнительное кольцо
008.0 57823239 2657823239 Кольцо опорное (back-up)
009.0 57823247 2657823247 Уплотнительное кольцо
010.0 57823254 2657823254 Кольцо, износное
011.0 57823262 2657823262 Манжета
012.0 57823270 2657823270 Манжета (двойная кромка)
013.0 57823304 2657823304 Кольцо опорное (back-up)
014.0 57823288 2657823288 Кольцо, защитное
015.0 57823296 2657823296 Скребок (press-in)

Поставляемый как полный сервисный комплект, 57783680 (2657783680) обеспечивает надежную работу кондиционера и поддерживает комфорт в кабине буровых установок DM45/DM50. TechCom предлагает оригинальные запчасти и полный набор HVAC-компонентов. Посмотреть все запчасти для Epiroc DM45/DM50.

Посмотреть совместимое оборудование

Заявка

+34 91 99 303 88

Cookie файлы

На нашем сайте используются cookie–файлы, в том числе сервисов веб–аналитики. Используя сайт, вы соглашаетесь на обработку персональных данных при помощи cookie–файлов. Подробнее об обработке персональных данных вы можете узнать в Политике конфиденциальности.