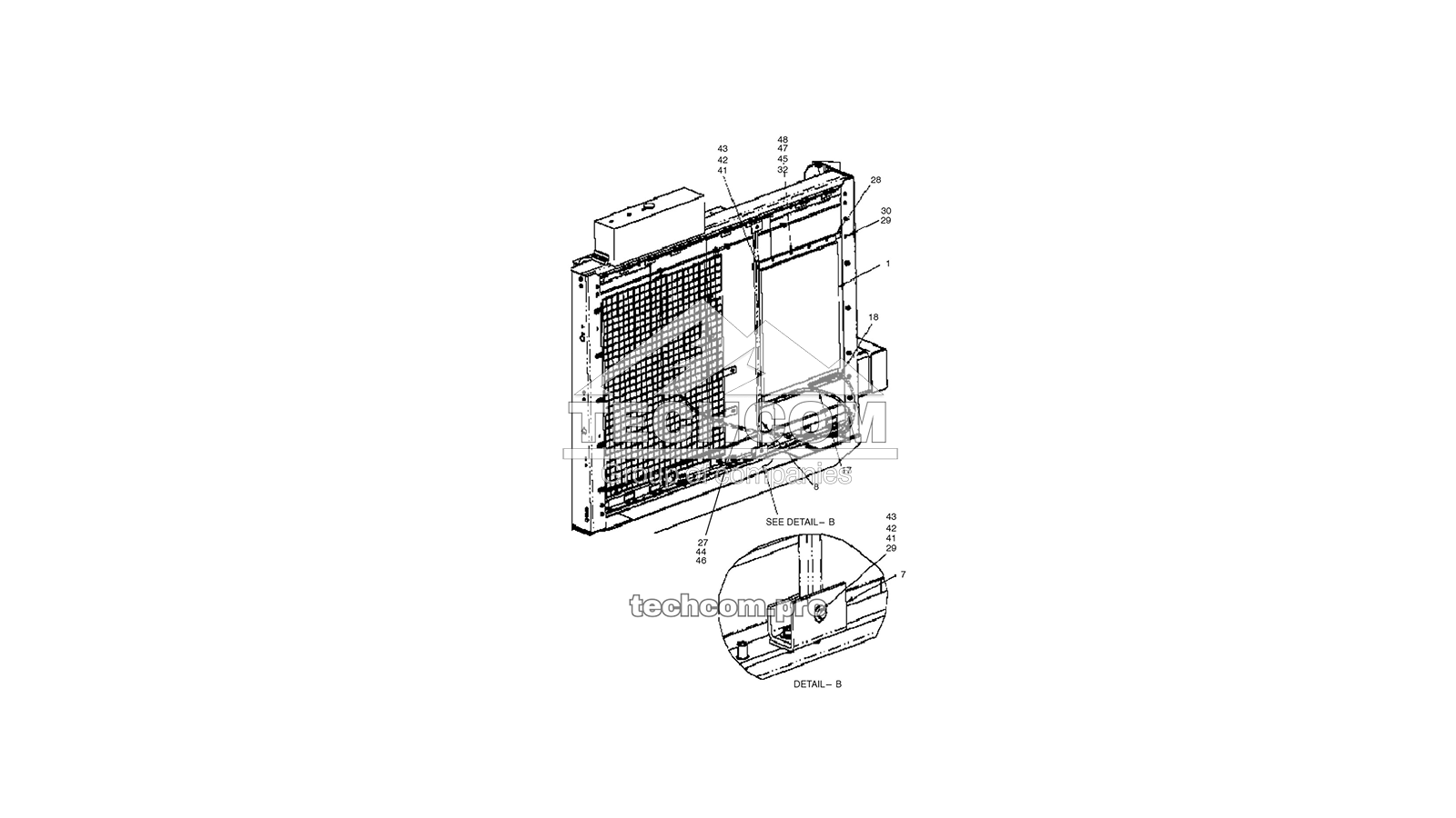
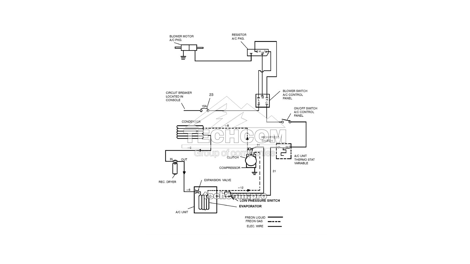
El conjunto de aire acondicionado 57783680 (2657783680) refrigera la cabina de la perforadora Epiroc DM45/DM50, combinando condensador, compresor R134a con embrague, receptor-filtro secador, presostatos HP/LP, mangueras y herrajes para un funcionamiento HVAC fiable.
Lista de repuestos
| Ref. | Nº de pieza | Nº alt. | Descripción |
|---|---|---|---|
| 001.0 | 57364358 | 2657364358 | Bobina, condensador |
| 007.0 | 57780868 | 2657780868 | Soporte, enfriador de combustible |
| 008.0 | 57780850 | 2657780850 | Soporte, enfriador de combustible |
| 009.0 | 57451924 | 2657451924 | Correa, en V |
| 010.0 | 57451890 | 2657451890 | Compresor con embrague, R134a |
| 011.0 | 57741837 | 2657741837 | Interruptor HP – R134a |
| 012.0 | 57667834 | 2657667834 | Resguardo, soldado A/C CAT |
| 013.0 | 57668055 | 2657668055 | Soporte, compresor A/C – C15 |
| 014.0 | 57364473 | 2657364473 | Refrigerante, R134a |
| 015.0 | 57097941 | 2657097941 | Soporte |
| 016.0 | 57095515 | 2657095515 | Abrazadera, receptor secador A/A |
| 017.0 | 57771396 | 2657771396 | Manguera, conj., 08, R134a, 170 LG |
| 018.0 | 57666117 | 2657666117 | Manguera, conj., 06 × 108" LG, R134a |
| – | 57762916 | 2657762916 | Junta tórica, #6, R134a |
| 019.0 | 57751588 | 2657751588 | Manguera, conj., 12 – R134a |
| 020.0 | 57742256 | 2657742256 | Manguera, conj., R134a, 310 LG |
| – | 57762916 | 2657762916 | Junta tórica, #6, R134a |
| 021.0 | 56762248 | 2656762248 | Conector, empalme |
| 022.0 | 57364366 | 2657364366 | Receptor-filtro secador |
| 023.0 | 57084055 | 2657084055 | Interruptor automático — 15 A |
| 024.0 | 95920674 | 2695920674 | Tornillo, cabeza hex. |
| 025.0 | 95937413 | 2695937413 | Arandela elástica helicoidal |
| 026.0 | 95922894 | 2695922894 | Tuerca, hex. |
| 027.0 | 95301875 | 2695301875 | Abrazadera, manguera |
| 028.0 | 57775595 | 2657775595 | Guía (carril), bastidor enfriador combustible |
| 029.0 | 95922225 | 2695922225 | Arandela plana |
| 030.0 | 95916821 | 2695916821 | Tornillo, cabeza hex. |
| 031.0 | 95934816 | 2695934816 | Tornillo, cabeza hex. |
| 032.0 | 95934766 | 2695934766 | Arandela elástica helicoidal |
| 033.0 | 95931564 | 2695931564 | Tuerca, hex., acabada |
| 035.0 | 57737934 | 2657737934 | Aceite, refrigerante R134a |
| 036.0 | 57741829 | 2657741829 | Interruptor LP – R134a |
| 037.0 | 58150103 | 2658150103 | Cable, 14/2 |
| 038.0 | 57772576 | 2657772576 | Separador roscado, hex., 4.43" |
| 039.0 | 95499232 | 2695499232 | Arandela plana — latón 3/8 |
| 040.0 | 95919221 | 2695919221 | Tornillo |
| 041.0 | 95943668 | 2695943668 | Tornillo, cabeza hex. |
| 042.0 | 95929782 | 2695929782 | Tuerca, hex., acabada |
| 043.0 | 95934303 | 2695934303 | Arandela elástica, cincada |
| 044.0 | 95104147 | 2695104147 | Tornillo, cabeza hex. |
| 045.0 | 95929071 | 2695929071 | Arandela plana 1/4 |
| 046.0 | 95934733 | 2695934733 | Arandela elástica |
| 047.0 | 95958351 | 2695958351 | Tornillo |
| 048.0 | 95077681 | 2695077681 | Tuerca, hex., acabada |
Entregado como kit HVAC listo para servicio, el 57783680 (2657783680) restablece un aire acondicionado estable y el confort de la cabina en las DM45/DM50. TechCom suministra el conjunto completo y repuestos HVAC originales. Ver todos los repuestos para Epiroc DM45/DM50.