Numéro de pièce: 57783680 (2657783680)
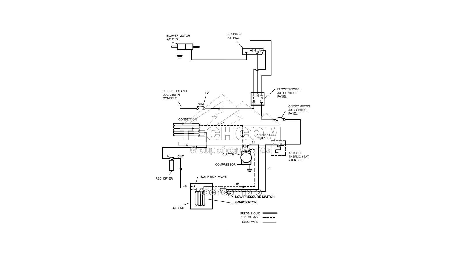
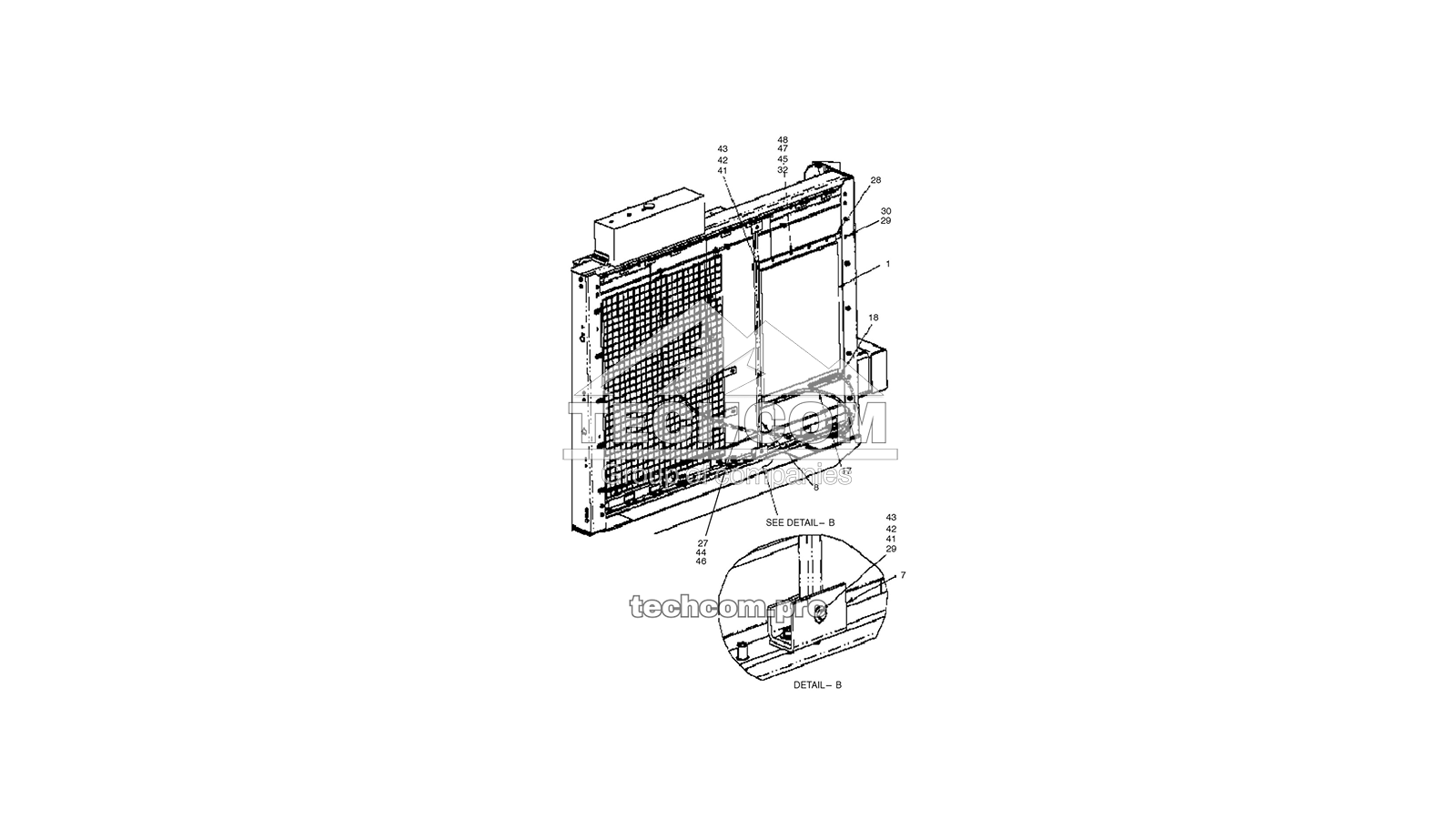
Le groupe de climatisation 57783680 (2657783680) refroidit la cabine de la foreuse Epiroc DM45/DM50, en combinant condenseur, compresseur R134a avec embrayage, récepteur-déshydrateur, pressostats HP/LP, flexibles et visserie pour un fonctionnement HVAC fiable.
| Ref. | Nº de pièce | Nº alt. | Description |
|---|---|---|---|
| 001.0 | 57364358 | 2657364358 | Bobine de condenseur |
| 007.0 | 57780868 | 2657780868 | Support, refroidisseur de carburant |
| 008.0 | 57780850 | 2657780850 | Support, refroidisseur de carburant |
| 009.0 | 57451924 | 2657451924 | Courroie trapézoïdale |
| 010.0 | 57451890 | 2657451890 | Compresseur avec embrayage, R134a |
| 011.0 | 57741837 | 2657741837 | Pressostat HP – R134a |
| 012.0 | 57667834 | 2657667834 | Carénage soudé A/C CAT |
| 013.0 | 57668055 | 2657668055 | Support, compresseur A/C – C15 |
| 014.0 | 57364473 | 2657364473 | Fluide frigorigène, R134a |
| 015.0 | 57097941 | 2657097941 | Support |
| 016.0 | 57095515 | 2657095515 | Collier, récepteur/déshydrateur A/C |
| 017.0 | 57771396 | 2657771396 | Flexible, ens., 08, R134a, 170 LG |
| 018.0 | 57666117 | 2657666117 | Flexible, ens., 06 × 108" LG, R134a |
| – | 57762916 | 2657762916 | Joint torique, #6, R134a |
| 019.0 | 57751588 | 2657751588 | Flexible, ens., 12 – R134a |
| 020.0 | 57742256 | 2657742256 | Flexible, ens., R134a, 310 LG |
| – | 57762916 | 2657762916 | Joint torique, #6, R134a |
| 021.0 | 56762248 | 2656762248 | Connecteur, manchon |
| 022.0 | 57364366 | 2657364366 | Récepteur-déshydrateur |
| 023.0 | 57084055 | 2657084055 | Disjoncteur — 15 A |
| 024.0 | 95920674 | 2695920674 | Vis à tête hexagonale |
| 025.0 | 95937413 | 2695937413 | Rondelle élastique hélicoïdale |
| 026.0 | 95922894 | 2695922894 | Écrou hexagonal |
| 027.0 | 95301875 | 2695301875 | Collier, flexible |
| 028.0 | 57775595 | 2657775595 | Rail, châssis refroidisseur carburant |
| 029.0 | 95922225 | 2695922225 | Rondelle plate |
| 030.0 | 95916821 | 2695916821 | Vis, tête hex. |
| 031.0 | 95934816 | 2695934816 | Vis, tête hex. |
| 032.0 | 95934766 | 2695934766 | Rondelle élastique hélicoïdale |
| 033.0 | 95931564 | 2695931564 | Écrou hex., fini |
| 035.0 | 57737934 | 2657737934 | Huile, fluide R134a |
| 036.0 | 57741829 | 2657741829 | Pressostat LP – R134a |
| 037.0 | 58150103 | 2658150103 | Câble 14/2 |
| 038.0 | 57772576 | 2657772576 | Entretoise hex., 4,43" |
| 039.0 | 95499232 | 2695499232 | Rondelle plate — laiton 3/8 |
| 040.0 | 95919221 | 2695919221 | Vis |
| 041.0 | 95943668 | 2695943668 | Vis à tête hexagonale |
| 042.0 | 95929782 | 2695929782 | Écrou hex., fini |
| 043.0 | 95934303 | 2695934303 | Rondelle élastique, zinguée |
| 044.0 | 95104147 | 2695104147 | Vis à tête hexagonale |
| 045.0 | 95929071 | 2695929071 | Rondelle plate 1/4 |
| 046.0 | 95934733 | 2695934733 | Rondelle élastique |
| 047.0 | 95958351 | 2695958351 | Vis |
| 048.0 | 95077681 | 2695077681 | Écrou hex., fini |
Livré prêt à l’emploi, le kit 57783680 (2657783680) rétablit une climatisation stable et le confort cabine sur les DM45/DM50. TechCom fournit l’ensemble complet et des pièces HVAC d’origine. Voir toutes les pièces pour Epiroc DM45/DM50.