Cookies
Our website uses cookies, including web analytics services. By using the site, you agree to the processing of personal data by cookies. For more information on the processing of personal data, please see our Privacy Policy.
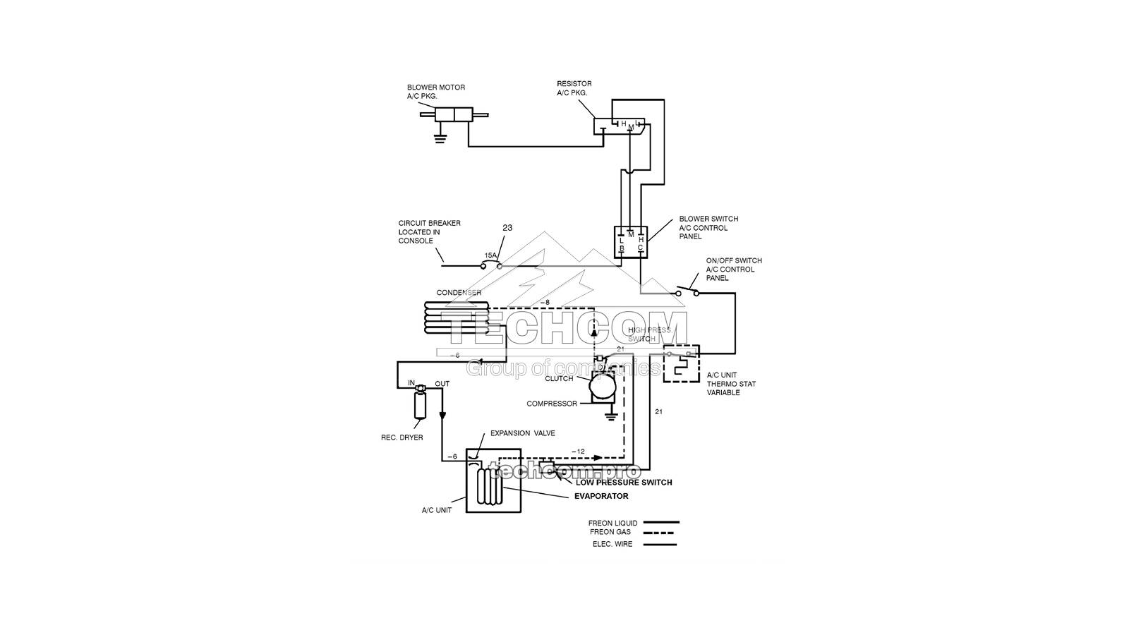
Part Number: 57783680 (2657783680)
The 57783680 (2657783680) air conditioner assembly cools the cab of the Epiroc DM45/DM50 drill rig, combining condenser, R134a compressor with clutch, receiver–drier, HP/LP switches, hoses and mounting hardware for dependable HVAC performance.
| Ref. | Part No. | Alt. Part No. | Description |
|---|---|---|---|
| 001.0 | 57364358 | 2657364358 | Coil, Condenser |
| 007.0 | 57780868 | 2657780868 | Bracket, Fuel Cooler |
| 008.0 | 57780850 | 2657780850 | Support, Fuel Cooler |
| 009.0 | 57451924 | 2657451924 | Belt, Vee |
| 010.0 | 57451890 | 2657451890 | Compressor, w/ Clutch, R134a |
| 011.0 | 57741837 | 2657741837 | Switch, HP – R134a |
| 012.0 | 57667834 | 2657667834 | Guard, Weldment A/C CAT |
| 013.0 | 57668055 | 2657668055 | Support, Compressor, A/C – C15 |
| 014.0 | 57364473 | 2657364473 | Refrigerant, R134a |
| 015.0 | 57097941 | 2657097941 | Bracket |
| 016.0 | 57095515 | 2657095515 | Clamp, Drier – Air Cond. |
| 017.0 | 57771396 | 2657771396 | Hose Assy, 08, R134a, 170 LG |
| 018.0 | 57666117 | 2657666117 | Hose Assy, 06 × 108" LG, R134a |
| – | 57762916 | 2657762916 | O-Ring, #6, R134a |
| 019.0 | 57751588 | 2657751588 | Hose Assy, 12 – R134a |
| 020.0 | 57742256 | 2657742256 | Hose Assy, R134a, 310 LG |
| – | 57762916 | 2657762916 | O-Ring, #6, R134a |
| 021.0 | 56762248 | 2656762248 | Connector, Splice |
| 022.0 | 57364366 | 2657364366 | Drier, Receiver |
| 023.0 | 57084055 | 2657084055 | Breaker, Circuit – 15 Amp |
| 024.0 | 95920674 | 2695920674 | Capscrew, Hex |
| 025.0 | 95937413 | 2695937413 | Washer, Lock, Helical |
| 026.0 | 95922894 | 2695922894 | Nut, Hex |
| 027.0 | 95301875 | 2695301875 | Clamp, Hose |
| 028.0 | 57775595 | 2657775595 | Rail, Fuel Cooler Frame |
| 029.0 | 95922225 | 2695922225 | Washer, Flat |
| 030.0 | 95916821 | 2695916821 | Capscrew, Hex |
| 031.0 | 95934816 | 2695934816 | Capscrew, Hex |
| 032.0 | 95934766 | 2695934766 | Washer, Lock, Helical |
| 033.0 | 95931564 | 2695931564 | Nut, Hex, Finished |
| 035.0 | 57737934 | 2657737934 | Oil, Refrigerant, R134a |
| 036.0 | 57741829 | 2657741829 | Switch, LP – R134a |
| 037.0 | 58150103 | 2658150103 | Cord, 14/2 |
| 038.0 | 57772576 | 2657772576 | Standoff, Hex, 4.43 in |
| 039.0 | 95499232 | 2695499232 | Washer, Flat – 3/8 Brass |
| 040.0 | 95919221 | 2695919221 | Capscrew |
| 041.0 | 95943668 | 2695943668 | Capscrew, Hex |
| 042.0 | 95929782 | 2695929782 | Nut, Hex, Finished |
| 043.0 | 95934303 | 2695934303 | Washer, Lock, Plated |
| 044.0 | 95104147 | 2695104147 | Capscrew, Hex |
| 045.0 | 95929071 | 2695929071 | Washer, Flat 1/4 |
| 046.0 | 95934733 | 2695934733 | Washer, Lock |
| 047.0 | 95958351 | 2695958351 | Capscrew |
| 048.0 | 95077681 | 2695077681 | Nut, Hex, Finished |
Delivered as a service-ready HVAC kit, the 57783680 (2657783680) assembly restores stable AC performance and cab comfort on DM45/DM50 rigs. TechCom supplies the complete assembly and genuine HVAC spares. View all spare parts for Epiroc DM45/DM50.
Our website uses cookies, including web analytics services. By using the site, you agree to the processing of personal data by cookies. For more information on the processing of personal data, please see our Privacy Policy.