Cookies
Our website uses cookies, including web analytics services. By using the site, you agree to the processing of personal data by cookies. For more information on the processing of personal data, please see our Privacy Policy.
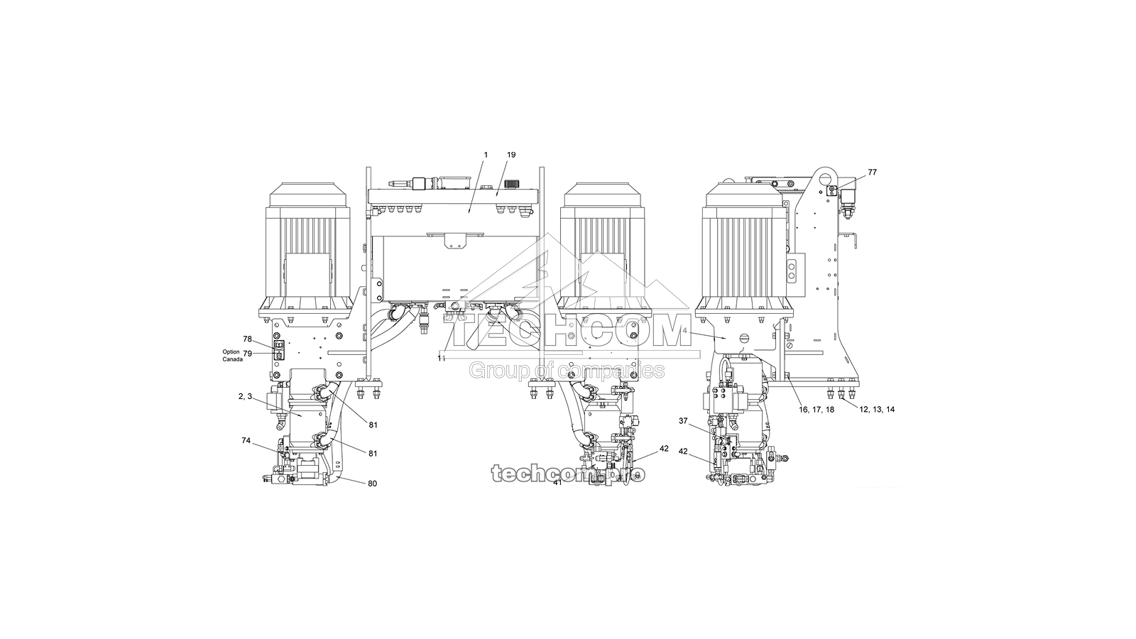
Part Number: 9106 2306 71 (9106230671)
The power unit 9106 2306 71 is a complete hydraulic assembly designed for the Epiroc Boomer L2D drilling rig. It provides stable hydraulic pressure for all drilling and boom functions. The unit includes the hydraulic oil tank, pump and coupling sets, valves, filters, pressure switches and regulators — ensuring efficient operation and easy maintenance in demanding underground environments.
| Ref. | Part No. | Alt. No. | Qty | Description |
|---|---|---|---|---|
| 1 | 9106 2190 46 | 9106219046 | 1 | Hydraulic Oil Tank |
| 2 | – | – | 2 | Pump Set |
| 4 | 9106 1273 43 | 9106127343 | 2 | Coupling Set |
| 5 | 3217 7992 81 | 3217799281 | 1 | Thermostat (70 °C) |
| 12 | 0147 1561 03 | 0147156103 | 16 | Screw Hex Head M20 × 100 – 8.8 FZB |
| 13 | 0291 1128 28 | 0291112828 | 16 | Lock Nut M20 – 8 FZB / ISO 7040 |
| 14 | 0300 0274 13 | 0300027413 | 32 | Plain Washer 21/37×3 HB 200 FZB |
| 16 | 0147 1557 03 | 0147155703 | 8 | Screw Hex Head M20 × 80 – 8.8 FZB |
| 17 | 0291 1128 28 | 0291112828 | 8 | Lock Nut M20 – 8 FZB / ISO 7040 |
| 18 | 0300 0274 13 | 0300027413 | 16 | Plain Washer 21/37×3 HB 200 FZB |
| 20 | 9111 3891 44 | 9111389144 | 20 m | Cable 2-core 2×1.5 D2 = 7.4 |
| 21 | 3176 4589 06 | 3176458906 | 2 | Pressure Switch 18 D |
| 22 | 9106 0659 08 | 9106065908 | 4 | Suction Connection |
| 24 | 9106 0659 03 | 9106065903 | 2 | Suction Connection |
| 25 | 0075 4030 03 | 0075403003 | 1 | Hose Assembly R4 50 (0.85 m) |
| 26 | 0075 4030 03 | 0075403003 | 1 | Hose Assembly R4 50 (0.65 m) |
| 27 | 0075 4030 03 | 0075403003 | 1 | Hose Assembly R4 50 (1.20 m) |
| 28 | 0075 4030 03 | 0075403003 | 1 | Hose Assembly R4 50 (0.65 m) |
| 29 | 0075 4030 03 | 0075403003 | 1 | Hose Assembly R4 50 (0.85 m) |
| 30 | 0075 4030 03 | 0075403003 | 1 | Hose Assembly R4 50 (1.20 m) |
| 31 | 9106 0659 14 | 9106065914 | 1 | Suction Connection ½″ UNC × 32 |
| 34 | 9106 1078 40 | 9106107840 | 2 | Valve Block Percussion Pump 100/71 |
| 37 | 3214 4797 00 | 3214479700 | 2 | Flange Connection |
| 41 | 3214 7669 81 | 3214766981 | 2 | Flow Regulator |
| 42 | 0823 0050 19 | 0823005019 | 2 | Check Valve A G ¾ 0.5 16 85 36 |
| 43 | 3217 9193 06 | 3217919306 | 2 | Regulator |
| 44 | 3177 3073 01 | 3177307301 | 2 | SAE Flange 3/4″ R 3/4″ INV |
| 61 | 3217 6513 01 | 3217651301 | 4 | Restriction D = 0.6 (9/16-18 UN) |
| 62 | 9106 0630 14 | 9106063014 | 2 | Direction Valve |
| 65 | 3217 6513 01 | 3217651301 | 2 | Restriction D = 0.6 (9/16-18 UN) |
| 66 | 3217 6513 01 | 3217651301 | 2 | Restriction D = 0.6 (9/16-18 UN) |
| 70 | 3177 3016 00 | 3177301600 | 2 | Coupling 2101-01-18.00 |
| 72 | 3177 3016 00 | 3177301600 | 2 | Coupling 2101-01-18.00 |
| 73 | 3177 3016 00 | 3177301600 | 2 | Coupling 2101-01-18.00 |
| 74 | 3177 3016 00 | 3177301600 | 2 | Coupling 2101-01-18.00 |
| 77 | – | – | 2 | Label Decal |
| 78 | 9106 1071 13 | 9106107113 | 1 | Label Decal (Hydraulic Oil / Manual) |
| 79 | 9106 1074 48 | 9106107448 | 1 | Label Decal |
| 80 | 9106 0659 07 | 9106065907 | 2 | Suction Connection |
| 81 | 9106 0659 09 | 9106065909 | 4 | Suction Connection |
TechCom supplies the full catalog of spare parts for the Epiroc Boomer L2D power unit, including pumps, filters, valves, regulators, couplings and hose assemblies to ensure long-term and safe hydraulic system performance.
Our website uses cookies, including web analytics services. By using the site, you agree to the processing of personal data by cookies. For more information on the processing of personal data, please see our Privacy Policy.