9106 2306 71 Unidad de potencia para Epiroc Boomer L2D (9106230671)

Número de pieza: 9106 2306 71 (9106230671)

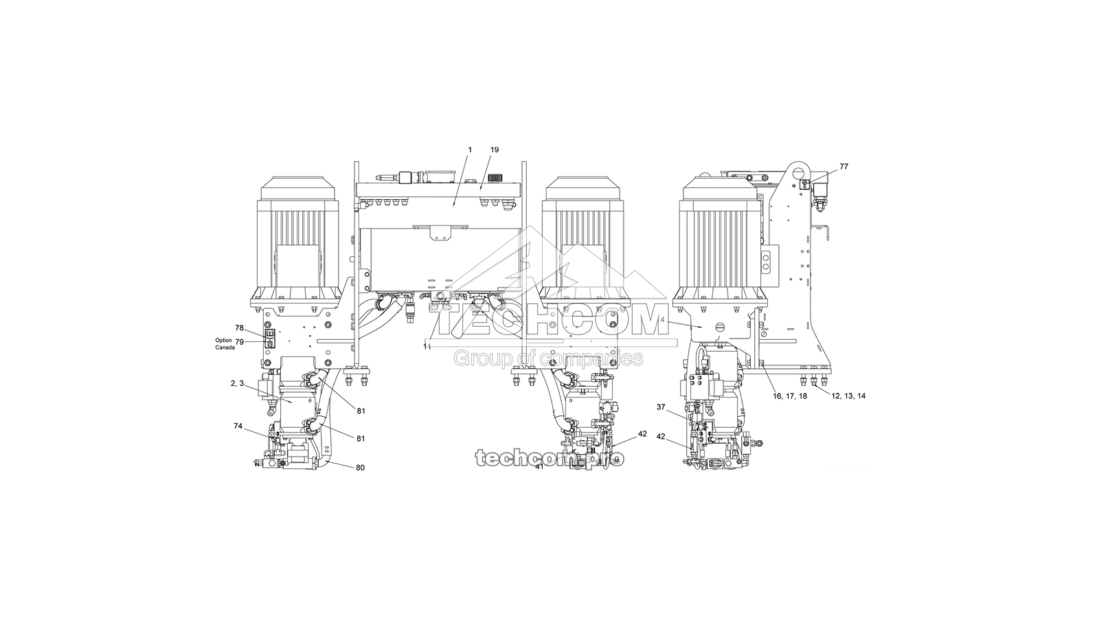
La unidad de potencia 9106 2306 71 (9106230671) es un conjunto hidráulico completo diseñado para la perforadora Epiroc Boomer L2D. Proporciona una presión hidráulica estable para todas las funciones de perforación y movimiento del brazo. La unidad incluye el depósito de aceite hidráulico, los conjuntos de bombas y acoplamientos, válvulas, filtros, presostatos y reguladores, garantizando un funcionamiento eficiente y un mantenimiento sencillo en entornos subterráneos exigentes.

Lista de repuestos – Unidad de potencia (9106230671)

Ref. Nº de pieza Nº alt. Cant. Descripción
1 9106 2190 46 9106219046 1 Depósito de aceite hidráulico
2 2 Conjunto de bombas
4 9106 1273 43 9106127343 2 Conjunto de acoplamientos
5 3217 7992 81 3217799281 1 Termostato (70 °C)
21 3176 4589 06 3176458906 2 Presostato 18 D
22 9106 0659 08 9106065908 4 Conexión de succión
31 9106 0659 14 9106065914 1 Conexión de succión ½″ UNC × 32
34 9106 1078 40 9106107840 2 Bloque de válvulas – Bomba de percusión 100/71
41 3214 7669 81 3214766981 2 Regulador de caudal
42 0823 0050 19 0823005019 2 Válvula de retención A G ¾ 0.5 16 85 36
43 3217 9193 06 3217919306 2 Regulador
44 3177 3073 01 3177307301 2 Brida SAE ¾″ R ¾″ INV
61 3217 6513 01 3217651301 4 Restrictor D = 0.6 (9/16-18 UN)
62 9106 0630 14 9106063014 2 Válvula direccional
70–74 3177 3016 00 3177301600 8 Acoplamiento 2101-01-18.00
78 9106 1071 13 9106107113 1 Etiqueta – Aceite hidráulico / Manual
79 9106 1074 48 9106107448 1 Etiqueta adhesiva

TechCom ofrece el catálogo completo de repuestos para la unidad de potencia de la Epiroc Boomer L2D, incluyendo bombas, filtros, válvulas, reguladores, acoplamientos y mangueras, garantizando un funcionamiento hidráulico seguro y duradero en entornos mineros subterráneos.

Aplicación

+34 91 99 303 88

Cookies

Nuestro sitio web utiliza cookies, incluidos servicios de análisis web. Al utilizar el sitio, usted consiente el tratamiento de sus datos personales mediante cookies. Puede encontrar más información sobre el tratamiento de datos personales en la Política de privacidad.